福州公海赌船光电有限公司
other
产品
Diode Laser Optics
Diode Laser Optics
Diode Laser Optics
Diode Laser Optics

高功率二极管激光光学

公海赌船光电是高功率二极管激光光学件的主要供应商,注重降低激光损伤阈值。

  • FAC (快轴准直透镜)
  • SAC (慢轴准直透镜)
  • 非球面镜
  • 柱面镜
  • 球面镜

 

高功率二极管激光光学

 

FAC Lens--快轴准直透镜:

典型焦距值: 0.3mm or 0.36mm
发散角:±1.8mrad
光斑能量:>92%
Schematic diagrams of the external cavity configuration
 

SAC Lens--慢轴准直透镜:

产能: 3百万/月

LD光束校正方案

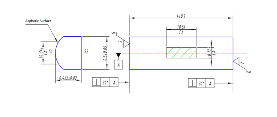
非球透镜:

 

 

 

 

留言
如果您对我们的产品感兴趣,想了解更多详情,请在此留言,我们会尽快回复您。
相关产品
留言
留言
如果您对我们的产品感兴趣,想了解更多详情,请在此留言,我们会尽快回复您。

首页

产品

公海赌船
  • 网站地图